|
Building Owner
|
Newfoundworld Investment Holdings Limited
|
Replacement of more efficient chiller
| | Building/Project Name |
Citygate
| | Systems |
HVAC - Waterside Air Conditioning System
| | Building Types |
Commercial - Office Commercial - Retail
|
Description of the building:
Citygate is a commercial complex in Tung Chung, comprising a premier outlet shopping mall, Citygate Outlets, together with a Grade-A office building, One Citygate. The total gross floor area of the development is approximate 62,800 sqm.

Retrofitted initiative:
HVAC Chiller Plant Upgrade - Chilled Water Side
- Adoption of "Platinum rated CIC Green Product" - Low GWP HFO chillers.
- Retro-commissioning approach.
- Constant Speed and Variable Speed chillers combination design for enhanced energy optimisation.
Observed benefits other than energy saving:
- Optimised the chillers operation by enhanced chiller plant design with Constant speed chiller and Variable speed chiller.
- Sustainability through adoption of Low GWP High energy efficiency HFO chillers.
- Reduced noise generation in the plant room by chillers with exceptionally low sound level.
- Reduced system downtime by chillers with superior reliability
General observations of the retrofitting project:
- The tenants were not affected by the HVAC system retrofit.
- Disassembly of plant room equipment was minimised by well-planned project execution.
- Successful application was achieved by combination of constant speed and variable frequency drive chillers.
- A signature project which brings recognised rewards and excellent environmental benefits was accomplished.
- It is estimated nearly 20% of annual energy consumption is saved, equivalent to around 1,000,000 kWh per year.
- The payback is around 3 years for high efficiency chillers option.
Other information:
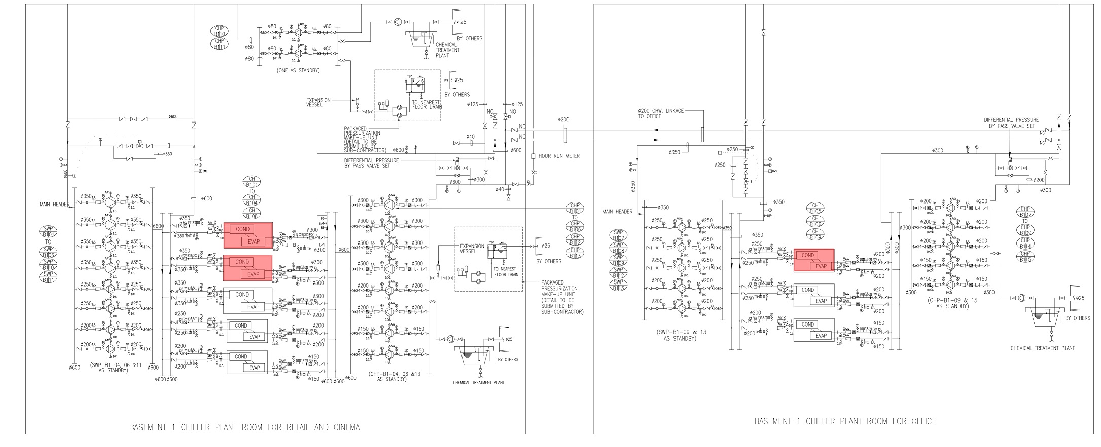
Basement 1 Chiller Plant Room For Retail and Cinema Basement 1 Chiller Plant Room for Office
(1).jpg)
| Name of the consultant and contractor |
Saving |
| Trane Service Hong Kong |
Total savings/year: |
HKD 1,062,100 |
| Payback: |
Around 3 years |
| Awards |
| Awards received by the project: |
The Association of Energy Engineers Award 2019
- Final Platinum Rating - BEAM Plus Existing Building V2.0 (Comprehensive Scheme A)
|
| |
|
Replacement of more efficient chiller
|
|
|
Building Owner
|
Newfoundworld Investment Holdings Limited
| | Building/Project Name |
Citygate
| |
Systems |
HVAC - Waterside Air Conditioning System
| |
Building Types |
Commercial - Office Commercial - Retail
|
Description of the building:
|
| Citygate is a commercial complex in Tung Chung, comprising a premier outlet shopping mall, Citygate Outlets, together with a Grade-A office building, One Citygate. The total gross floor area of the development is approximate 62,800 sqm.

Retrofitted initiative:
HVAC Chiller Plant Upgrade - Chilled Water Side
- Adoption of "Platinum rated CIC Green Product" - Low GWP HFO chillers.
- Retro-commissioning approach.
- Constant Speed and Variable Speed chillers combination design for enhanced energy optimisation.
Observed benefits other than energy saving:
- Optimised the chillers operation by enhanced chiller plant design with Constant speed chiller and Variable speed chiller.
- Sustainability through adoption of Low GWP High energy efficiency HFO chillers.
- Reduced noise generation in the plant room by chillers with exceptionally low sound level.
- Reduced system downtime by chillers with superior reliability
General observations of the retrofitting project:
- The tenants were not affected by the HVAC system retrofit.
- Disassembly of plant room equipment was minimised by well-planned project execution.
- Successful application was achieved by combination of constant speed and variable frequency drive chillers.
- A signature project which brings recognised rewards and excellent environmental benefits was accomplished.
- It is estimated nearly 20% of annual energy consumption is saved, equivalent to around 1,000,000 kWh per year.
- The payback is around 3 years for high efficiency chillers option.
Other information:
Basement 1 Chiller Plant Room For Retail and Cinema Basement 1 Chiller Plant Room for Office
(1).jpg)
| Name of the consultant and contractor |
Saving |
| Trane Service Hong Kong |
Total savings/year: |
HKD 1,062,100 |
| Payback: |
Around 3 years |
| Awards |
| Awards received by the project: |
The Association of Energy Engineers Award 2019
- Final Platinum Rating - BEAM Plus Existing Building V2.0 (Comprehensive Scheme A)
|
| |
|
Replacement of more efficient chiller
|
|
|