|
业主
|
香港沙田凯悦酒店
|
| | 建筑物/项目名称 |
香港沙田凯悦酒店
| | 系统 |
暖通空调 - 供暖系统
| | 建筑类型 |
商业 - 酒店及旅馆/公寓
|
建筑物描述:
- 五星级酒店。香港别具一格的城市度假胜地,毗邻沙田港铁大学站
- 共有 567 间客房和 9 间理疗室
- L5 – L12,低层 275 间 + 9 间理疗室
- L13 – L21,中层 207 个房间
- L22 – L26,高层 82 个房间

改造举措:
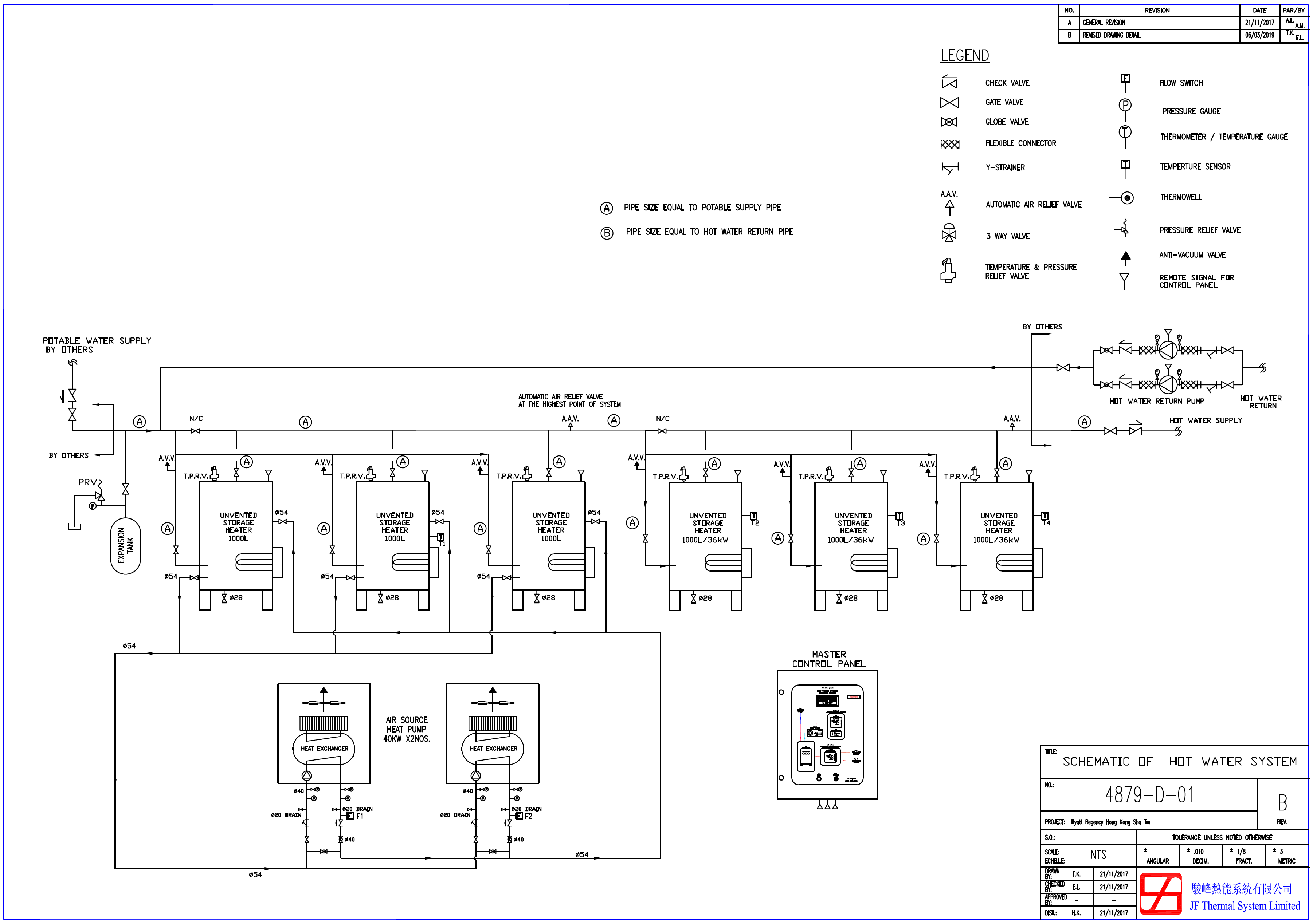
- 高区热水系统,L22 – L26,共 82 个房间。
- 用热泵系统取代原有的 24 台 ~60千瓦煤气加热器(总输出功率~1440kW)。
- 热泵系统由 2 台 40 千瓦气冷式热泵、3 台 1000 升储水罐和 3 台1000 升 / 48 千瓦蓄热式加热器(总输出功率 ~224 千瓦)组成,并配有主控板。
高层热泵系统

除了节能之外还观察到的好处:
- 操作更流畅,集中式监控,主控制板操作。
- 减少设备使用,降低维护成本。
- 不向环境排放二氧化碳。
- 稳定持续的热水输出。
- 更好地平衡供水。
改造工程的整体意见:
- 热泵系统节能改造工程没有影响热水供应。
- 在原有系统旁边安装了新系统,经过系统清洗、自检、详细测试和试运行后更换,以取代原有的燃气加热器系统。
其他资讯:
原有的高层燃气加热器:
24 台煤气热水器
  
高层 - 改造后的热水系统
3 台 1000 升储水罐和 3 台 1000 升 /48 千瓦蓄热式加热器
 
2 台 40 千瓦气冷式热泵

1 个主控板

总成本: 1,081,500 港元
费用细目:
设备:543,500 港元
材料和人工:538,000 港元
总节能 / 年: 250,000 港元
每年节能明细: 热泵性能系数 = 3.0~3.5
投资回收期: 4.33 年
| |
|
|
|
|
业主
|
香港沙田凯悦酒店
| | 建筑物/项目名称 |
香港沙田凯悦酒店
| |
系统 |
暖通空调 - 供暖系统
| |
建筑类型 |
商业 - 酒店及旅馆/公寓
|
建筑物描述:
|
|
- 五星级酒店。香港别具一格的城市度假胜地,毗邻沙田港铁大学站
- 共有 567 间客房和 9 间理疗室
- L5 – L12,低层 275 间 + 9 间理疗室
- L13 – L21,中层 207 个房间
- L22 – L26,高层 82 个房间

改造举措:
- 高区热水系统,L22 – L26,共 82 个房间。
- 用热泵系统取代原有的 24 台 ~60千瓦煤气加热器(总输出功率~1440kW)。
- 热泵系统由 2 台 40 千瓦气冷式热泵、3 台 1000 升储水罐和 3 台1000 升 / 48 千瓦蓄热式加热器(总输出功率 ~224 千瓦)组成,并配有主控板。
高层热泵系统

除了节能之外还观察到的好处:
- 操作更流畅,集中式监控,主控制板操作。
- 减少设备使用,降低维护成本。
- 不向环境排放二氧化碳。
- 稳定持续的热水输出。
- 更好地平衡供水。
改造工程的整体意见:
- 热泵系统节能改造工程没有影响热水供应。
- 在原有系统旁边安装了新系统,经过系统清洗、自检、详细测试和试运行后更换,以取代原有的燃气加热器系统。
其他资讯:
原有的高层燃气加热器:
24 台煤气热水器
  
高层 - 改造后的热水系统
3 台 1000 升储水罐和 3 台 1000 升 /48 千瓦蓄热式加热器
 
2 台 40 千瓦气冷式热泵

1 个主控板

总成本: 1,081,500 港元
费用细目:
设备:543,500 港元
材料和人工:538,000 港元
总节能 / 年: 250,000 港元
每年节能明细: 热泵性能系数 = 3.0~3.5
投资回收期: 4.33 年
| |
|
|
|
|